+86 13713208199

Hotel tourism disposable supplies automation equipment

Disposable Toilet Seat Cover Production Machine

Non-woven toilet seat cover manufacturing machine has several characteristics such as good quality, low price & high output advantages. It can completely replace manual toilet cover & cost less. It can be customized according to customer requirements. This machine is fully automated by using ultra-high power ultrasonic welding plus fixing both ends of the toilet seat cover effectively with rubber bands.

TEL MSG

Details Parameters Sample Company

Product Introduction

Non-woven toilet seat cover manufacturing machine has several characteristics such as good quality, low price & high output advantages. It can completely replace manual toilet cover & cost less. It can be customized according to customer requirements. This machine is fully automated by using ultra-high power ultrasonic welding plus fixing both ends of the toilet seat cover effectively with rubber bands.

Product Parameters

ModelLY-RM006
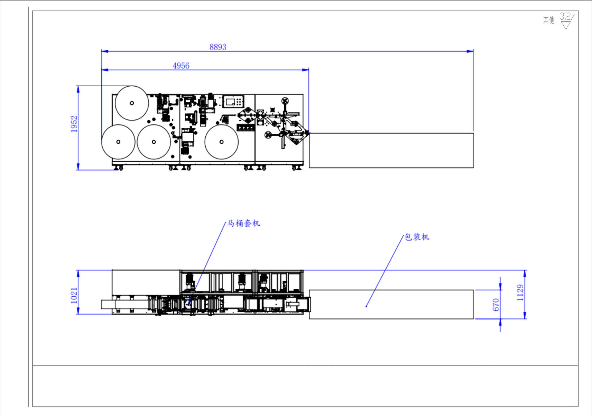
Dimensions4956*1021*1952mm
Output power
14Kw
Speed60-80pcs/min
Air pressure0.6-0.8 mpa
Weight1500KG
Power supplyAc220/380v 50/60hz

Product Drawings

Disposable Toilet Seat Cover Production Machine

More photos

Factory Introduction

Loy Technology Co., Ltd.

Company Profile

Loy Technology Co., Ltd.

Loy Technology Co., Ltd. We specialize in the research, development, manufacturing, and sales of intelligent automation equipment, with years of experience in the industry. Adhering to the principle of "Technology + Expertise + Service," and leveraging a team with over 20 years of experience, we have established a strong presence in the field of custom-made automation for non-woven products.Our products include mask machines, automated equipment for disposable non-woven products and respiratory protective equipment, packaging machines, and tissue machines, boasting leading technology and reliable quality. We collaborate with leading brands such as Dasheng and Sanqi, and our products are exported to Korea, Europe, and the United States, earning widespread customer recognition.

  • 2023

    Since
  • 16000

    Area
  • 20000+

    Customers

Corporate Culture

Partners

Related products

Online

Messages